Новый Уренгой — Аквакорд

8(800) 500-73-22

RU

EN

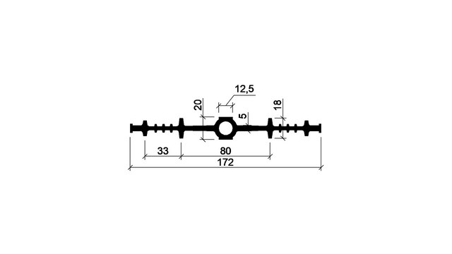
Гидрошпонка Аквастоп ДВ-170/12 (EPDM)

Гидрошпонка ДВ-170/12 из EPDM резины – это резина на основе этиленпропиленового каучука.
Ширина шпонки — 170 мм.
Ширина деформационного шва — 12 мм.

Перемещения деформационного узла – это допустимые смещения и колебания элементов конструкции, которые спрягаются. 
К перемещениям относится поперечный или продольных сдвиг, сжатие и растяжение.
Упаковка
Кол-во
Бухта
  м.п.

Цена: 

1311 

за 1 м.п.

Технические характеристики

Назначение и особенности, для шпонки ДВ-170/12 из EPDM это:

  • Сжатие – 7 мм;
  • Растяжение – 6 мм;
  • Поперечный сдвиг – 4 мм;
  • Продольный сдвиг – 3 мм;
  • Давление воды – 0,36 МПа.

 

Гидрошпонки Аквастоп используются в гражданском и коммерческом строительстве.
Гарантийный срок хранения – 2 года.
Гарантийный срок эксплуатации – 5 лет при соблюдении технологии монтажа.

Изменить содержимое

Монтажная схема гидрошпонки Аквастоп ДВ

Устанавливается в средней части деформационного шва элементов конструкций.

Изменить содержимое

Фасонные элементы гидрошпонки Аквастоп ДЗ

Описание

Описание

Фотографии гидрошпонки Аквастоп ДЗ

Выберите ваш город